September 2020 Updates
- Added info about board packages to the Arduino page.
Added info about schematic page templates to the A Beginners Intro To KiCAD page.
Added support for the search service Algolia.
- Updated information about the
BCrange of BJTs on the Bipolar Junction Transistors (BJTs) page.
Added more online simulation tools to the Circuit Simulation page.
Added a new page on 555 Timer Circuits. Added a 555 timer calculator to NinjaCalc (which is also embedded on the 555 Timer Circuits page).
Updated the Mbed Studio page.
Added a page on the EasyScale communication protocol.
Migrated NinjaCalc from a Vue.js based app to Next.js/React based app. This took quite a long time to migrate, I’m estimating about 32 hours to migrate all functionality except for two calculators to Next.js. Deployments are now automatically done by Vercel (I’m using the “Hobby” tier which is free forever). Unit/functional CICD testing has also been added with GitHub Actions. Commit https://github.com/gbmhunter/NinjaCalc/commit/458137fb79237562acb8a3f3d09a13d30438bb49 was the beginning of the migration.
Updated the Cables page with more information on cable insulation materials and combined power/data cables.
July 2020 Updates
- Added a section on CMOS latch-up to the Logic Families page.
Added a new IEEE-488 (GLIB) page under Communication Protocols.
Added a new Databases page under the Programming section with info on MariaDB and PostgreSQL databases.
Added a new Multimeters page under the Electronics->Tools section.
Added information on ceramic capacitor classes to the Capacitor page.
Updated the SOIC Component Package page with information about the
SO-4package.Added a new Consistent Overhead Byte Stuffing page.
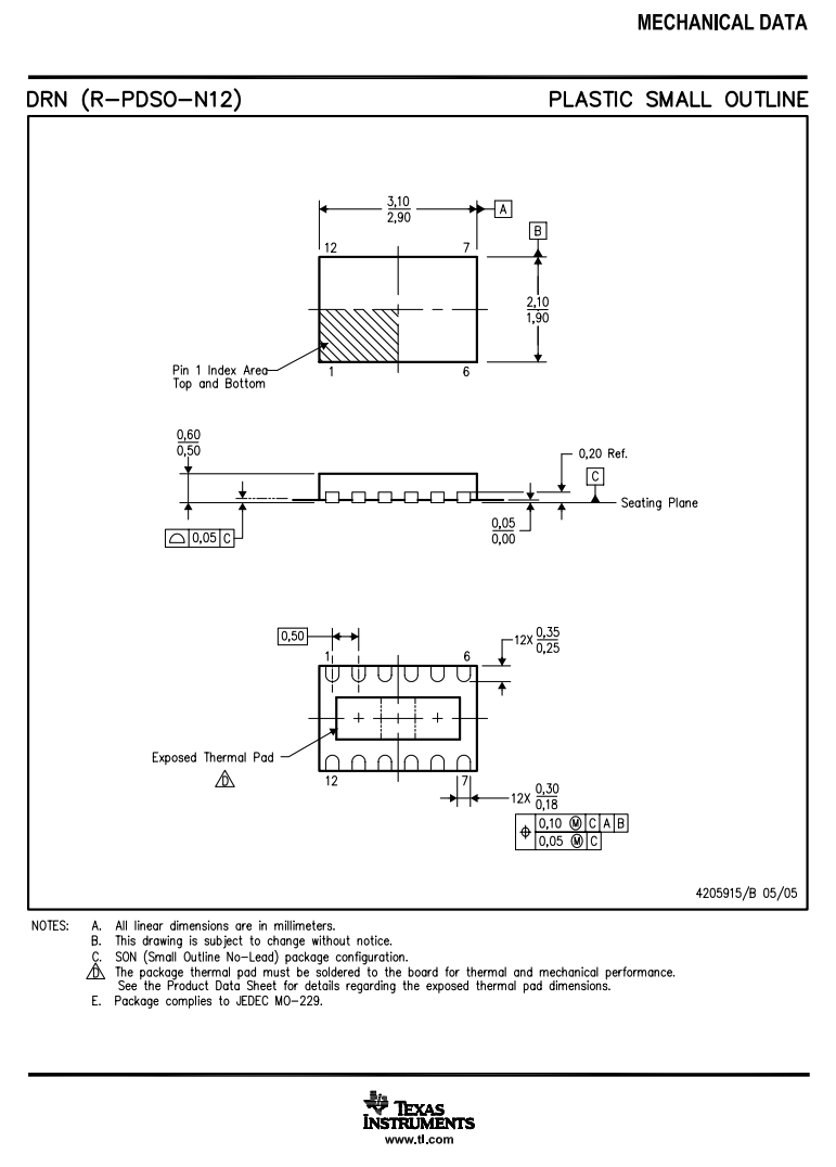
- Updated the SON Component Package page. Added a DFN Component Package page which links to the SON page.
June 2020 Updates
Completed the unfinished worked example on the Finding The Intersection Of Two Arcs That Lie On A Sphere page.
Fixed a bug with the custom
imgshortcode used on this site which was causing the wrong image to be displayed, or in some cases, no image at all.Added a section on CAN Bus Repeaters to the CAN Protocol page.
- Updated the CANopen section on the CAN Protocol page.
Added the new How To Simulate Circuits In KiCAD page and How To Write Python Scripts For KiCAD page.
Added information on number-to-string functions in the C programming language to the String Manipulation page.
Updated the Debouncing page.
Updated the Logic Families page.
Added the new Silicon Controlled Rectifiers (SCRS) page.
Added a section on floating-gate MOSFETS to the MOSFET page.
Added a new How To Change The IO Scheduling Class And Priority In Linux page.
April 2020 Updates
Added a section on mypy And Reusing Variables With Different Types to the Python Type Annotations page.
Added a new page on Shift Registers (a digital logic circuit).
Added a section on Tags to the AWS S3 page.
Added a section on NoCAN to the CAN Bus page.
Added a new page on UML Diagrams.
Added a section on Flyback Transformers to the Transformers page.
- Added info on non-standard QFN packages to the QFN Component Package page.
March 2020 Updates
- Added the new USON Component Package page.
Updated the WSON Component Package page.
Added projection info to the rasterio page.
Added search functionality. When I first moved this blog from a “dynamic” Wordpress-based server to static hosting and Hugo, I thought search functionality was just one of those luxuries I would have to give up. But apparently not! As long as all the search data is assembled at site build time, we can perform the search functionality client side (i.e. on your computer, using your processor :-D). See the blog post We Now Have Search for more information!
Added an section on how to remove masked values from a masked array to the Numpy page.
Added a new tutorial on geopandas.
Added a the page Python And File Paths with information on the
pathlibmodule.Added a new page on the The Three Classical Pythagorean Means.
Added the section How To Speed Up 'sending build context to docker daemon' to the Docker page.











